Питатели пыли лопастные стационарные угольные ППЛ

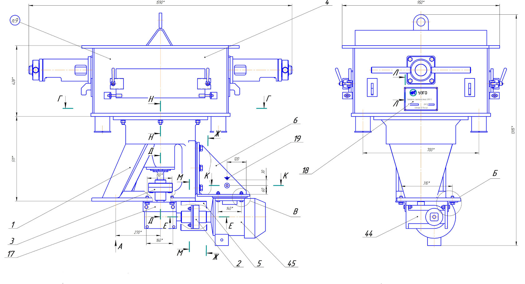
Питатели пыли лопастные типа ППЛ предназначены для равномерной подачи и дозирования угольной пыли к горелкам котлов . Наша компания предлагает питатели пыли типа ППЛ-3,5, ППЛ-5, ППЛ-7, ППЛ-10 различного исполнения, по желанию заказчика комплектуются разнообразными редукторами и электродвигателями. Оборудование включает в себя шесть основных специализированных частей: двигатель привода, соединяющую муфту, предохраняющую муфту, редуктор червячного типа, для приема угля, есть бункер с затвором, дозатор подаваемой пыли. Размельченное сырье проходит через множество частей в четкой последовательности. Сначала, оно забирается из бункера сбора пыли и транспортируется в приемный бункер. При этом дозатор распределяет количество подаваемого угля при помощи прохода в крышке, через который проходит размельченная смесь и подается при помощи подающего колеса в мерительное колесо, после чего пыль выводится в пылепроводный патрубок и попадает в пылепровод. Процесс сборки, монтажа и демонтажа его узлов, становится простым.

Очистка оборудования от пыли, также не составляет труда. Питатель оснащен мощным электродвигателем, который позволяет регулировать производительность. Питатель обладает продуманной конструкцией, позволяющей равномерно подавать пыль по всему диапазону производительности. Частота вращения колеса прямо пропорциональна зависимости от частоты вращения лопастного колеса. Благодаря этому питатель устойчив к нагрузкам. Конструкция также оснащена устройством для настройки осевых зазоров во время работы. Подшипники сконструированы таким образом, чтобы избегать утечки смазки и попадания в них пыли.
Пылепитатели ППЛ, основные типоразмеры
Мы перезвоним и ответим на все ваши вопросы
Остались вопросы?